Welcome to visit Advances in New and Renewable Energy!

Experimental Study on the Thermal Performance of R515B Inverter High-Temperature Heat Pump System

  • Zhipeng JIANG 1, 2 ,
  • Shuaiqi LI , 1, 2, ,
  • Xiong LIN 3 ,
  • Wenji SONG 1, 2 ,
  • Ziping FENG 1, 2 ,
  • Zhaozhang GAO 3
Expand
  • 1 School of Energy Science and Engineering, University of Science and Technology of China, Guangzhou 510640, China
  • 2 Guangzhou Institute of Energy Conversion, Chinese Academy of Sciences, Guangzhou 510640, China
  • 3 Foshan Bangtun Energy Saving Equipment Co. Ltd., Foshan 528000, Guangdong, China

Received date: 2024-05-16

  Revised date: 2024-08-01

  Online published: 2025-10-31

Abstract

To investigate the performance of R515B inverter high-temperature heat pump system, a set of 80 cm3 inverter scroll high-temperature heat pump performance test platform was built, and the influence of heat source temperature, outlet water temperature and compressor frequency on the system coefficient of performance (COP), volumetric heat, unit heating capacity, refrigeration capacity, volumetric efficiency and isentropic efficiency of the compressor were studied, and the empirical formulas of volumetric efficiency and isentropic efficiency were fitted. The results show that with the increase of heat source temperature and the decrease of outlet temperature, the COP and heat yield of the system gradually increase. When the heat source temperature is between 30 and 50 °C, the increase of COP and heat yield is the most significant. When the outlet temperature is 90 °C, the increase of COP is 30.2%, 18.7%, 18.0% and 16.9%, respectively, for every 5 °C heat source temperature gradient. The increase of heat production is 23.0%, 31.0%, 20.4% and 26.1%, respectively. In the frequency range of 60-120 Hz, the system has the best performance and stability when the frequency is 80 Hz. In the temperature range of the effluent temperature of 70-95 °C, the volumetric efficiency ranges from 85.0% to 68.3%, the isentropic efficiency ranges from 74.1% to 43.7%, and the system COP ranges from 3.94 to 2.24. Heat production is 24.91 ~ 20.28 kW. The isentropic efficiency and volumetric efficiency of the scroll compressor are fitted by multivariate polynomial, and the fitting accuracy is 0.951 43 and 0.953 07, respectively.

Cite this article

Zhipeng JIANG , Shuaiqi LI , Xiong LIN , Wenji SONG , Ziping FENG , Zhaozhang GAO . Experimental Study on the Thermal Performance of R515B Inverter High-Temperature Heat Pump System[J]. Advances in New and Renewable Energy, 2025 , 13(5) : 582 -590 . DOI: 10.3969/j.issn.2095-560X.2025.05.012

0 引言

全球变暖是人类面临的重大环境问题,减少CO2排放和能源转型迫在眉睫。我国2023年能源消费总量57.2亿吨标准煤,比2022年增长5.7%。煤炭消费量增长5.6%,原油消费量增长9.1%,天然气消费量增长7.2%,电力消费量增长6.7%,全年平均气温为10.71 ℃,比2022年上升0.21 ℃[1]。热泵[2]作为一种常用的能源装置,具有对工业余热回收和热能品位提升的作用,且高温热泵技术是高能耗工业锅炉的理想替代技术。然而,大多数热泵系统仍然采用传统的制冷剂,制冷剂在泄漏时会产生温室气体。因此,对低全球变暖潜能值(global warming potential, GWP)制冷剂的性能研究是当今热泵技术研发的主要方向之一。胡斌等[3]对工业高温热泵的研究进行了总结,指出高温热泵系统制冷剂的选择应优先考虑制冷剂的GWP和臭氧损耗潜能值(ozone depletion potential, ODP)。热泵系统选择循环性能和环境特性良好的制冷剂尤为关键,当今第四代低GWP制冷剂的重点发展使得高温热泵系统有了更为环保的制冷剂选择。美国霍尼韦尔公司[4]研发出用于高温热泵的R515B和R1234ze(E) 制冷剂,是A1级无毒不可燃的环保制冷剂,在实际运营中安全性很高,这两种制冷剂可以用于获取温度为90 ~ 95 ℃的热水/热风的热泵系统。在中高温热泵中,R1234yf和R1234ze(E) 是第一批为替代R134a而开发的低GWP制冷剂。ARPAGAUS等[5]发现在部分大型高温热泵中使用R1234ze(E),利用活塞和涡轮压缩机技术可产生高达95 ℃的热水。SHARIF等[6]研究R1234yf作为R134A的替代制冷剂的优化策略,发现R1234yf虽然传热系数较低,但其压比小于R134a,可作为R134a的直接替代。R515B作为最新开发的低GWP制冷剂,是R1234ze(E) 和少量R227ea的共沸混合物,相较于R1234ze(E) 和R1234yf具有不易燃的优点。MATEU-ROYO等[7]证实了R515B在中高温热泵的理论性能与R1234ze(E)相当。表1列举了R515B制冷剂的特性,其临界温度为108.7 ℃,临界压力为3.56 MPa,理论上可以制取95 ~ 100 ℃的热水。沈中将[8]基于双螺杆式压缩机采用单级压缩热泵循环,以R515B作为制冷工质,对热泵出水温度在40 ~ 70 ℃的制热性能进行了研究,并与R134a进行对比,发现R515B制热量相比R134a降低了27%,制热能效系数(coefficient of performance, COP)比R134a平均提高了1%。WEN等[9]开展了变频单螺杆压缩机应用于热泵系统的研究,发现压缩机的转速对热泵系统的容积效率和COP影响显著。在30 ~ 50 Hz频率区间,压缩机频率越高,热泵系统的容积效率、制热量和COP越大;当压缩机频率由50 Hz降至30 Hz时,容积效率下降幅度为28.66% ~ 36.04%,即在低转速30 ~ 50 Hz区间,频率对于热泵系统性能的影响显著。如今在中型热泵系统中逐渐开始采用涡旋式压缩机,由于其具有体积小、性能高、稳定性高的优点。张治平等[10]对比研究了小型螺杆压缩机与涡旋压缩机的性能,发现排量相同的情况下,在60 Hz的频率下,螺杆式压缩机的效率低于涡旋压缩机,功率损失大于涡旋压缩机。补气增焓[11]也是常用于涡旋压缩机提高热泵性能的选择,通过经济器将中间压力的工质再次送入压缩机,降低排气温度,提高制热量和COP。DECHESNE等[12]研究了小型变频涡旋压缩机的吸气过热度和补气过热度,发现合适的过热度可使系统的制热量和COP显著提高。夏阳等[13]对涡旋压缩机的补气特性进行了数值研究,在只改变补气压力的情况下,存在最佳容积效率和等熵效率。
表1 R515B制冷剂的特性参数[8]

Table 1 Characteristic parameters of R515B refrigerant[8]

参数 内容/数值
组成 R1234ze(E)/R227ea
组成成分质量分数/% 91.1/8.9
单位摩尔质量/(g/mol) 117.5
临界温度/℃ 108.7
临界压力/MPa 3.56
90 ℃冷凝压力/kPa 2 478.1
30 ℃蒸发压力/kPa 579.2
30 ℃汽化潜热/(kJ/kg) 157.81
90 ℃冷凝潜热/(kJ/kg) 74.3
90 ℃饱和液体密度/(kg/m3) 874.62
30 ℃饱和蒸汽密度/(kg/m3) 31.55
GWP 299
ODP 0
ASHARE安全等级 A1
基于上述背景,可以明确R515B是适用于制热温度达80 ~ 95 ℃工况的热泵制冷剂的理想选择。目前国内外对R515B的研究尚缺乏出水温度在90 ~ 95 ℃的实验数据,且缺少准二级涡旋式热泵在不同出水温度、不同频率工况下对压缩机效率影响的研究。因此,本文搭建了R515B变频涡旋式高温热泵系统,在恒定热源条件和恒定压缩机频率下,通过实验探究系统在70 ~ 95 ℃出水温度范围内的性能变化。通过实验获取低GWP制冷剂R515B应用于变频涡旋式高温热泵系统的实验数据,以验证其在高温热泵系统的适用性。通过控制热源温度和压缩机频率进行实验测量,计算得到COP、容积效率、等熵效率、制热量、容积热和排气温度等性能评价指标。

1 实验程序

1.1 实验装置

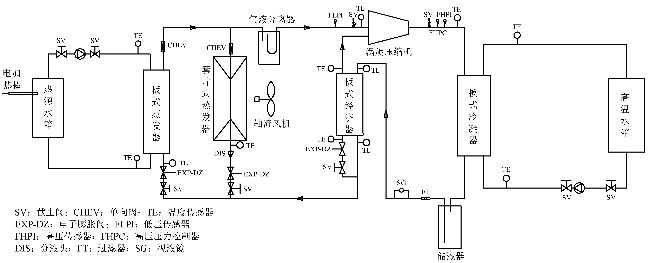
热泵系统为双源式单级蒸汽补气压缩式热泵系统,图1图2分别为该热泵系统的实验装置实物图及实验原理图。图2显示该热泵系统由热泵回路和两个热源回路闭合组成,通过电加热棒控制热源水箱的温度进行热泵循环回路的实验测量。该系统可使用空气源和水源两种热源回路,通过蒸发器出口处的单向阀进行切换,本次实验测量基于水源热源进行。在实际操作中,由于该热泵是两源式热泵,在蒸发器出口处单向阀存在明显的压降与温降。通过插入式热电偶算出温差,预估存在0.1 MPa的压降,若为单一水源热泵,无单向阀压降影响,热源温度为30 ~ 40 ℃的热泵性能预估可提升10% ~ 15%。
图1 实验装置实物图

Fig. 1 Experimental device diagram

图2 热泵系统实验原理图

Fig. 2 Experimental schematic diagram of heat pump system

热泵回路由1台变频涡旋压缩机(吸气量80 cm3)和3台板式换热器(蒸发器、冷凝器、经济器)组成,蒸发器、冷凝器和经济器的换热面积分别为2.28、4.68、0.22 m2。回路装置还有电子膨胀阀、节流阀、气液分离器,经济器和蒸发器的膨胀阀开度分别为80 N和100 N。测量仪器有压力传感器和温度传感器。两个热源回路由水泵、节流阀和水箱组成,且低温热源水箱通过电加热棒维持热源温度,该电加热棒附有温度传感器,可在水箱达到设定温度时停止加热。测量仪器有涡旋流量计和温度传感器。表2列出了热泵回路和热源回路的检测变量及测量仪器参数。
表2 检测变量及测量仪器参数

Table 2 Detection variables and measuring instrument parameters

测量变量 测量工具 型号 量程 精度
水侧温度 温度传感器 50K −30 ~ 135 ℃ ±0.1 ℃
制冷剂侧温度 温度传感器 50K −30 ~ 135 ℃ ±0.1 ℃
经济器主路侧温度 温度传感器 5K −30 ~ 90 ℃ ±0.1 ℃
经济器支路侧温度 温度传感器 5K −30 ~ 90 ℃ ±0.1 ℃
压缩机入口压力 压力传感器 YCQB02H12 0 ~ 2 MPa ±0.01 MPa
压缩机出口压力 压力传感器 YCQB05H10 0 ~ 5 MPa ±0.01 MPa
换热器水侧流量 涡旋流量计 LWY-25°C 1 ~ 10 m3/h ±0.01 m3/h
压缩机功耗 数字功率表 DT/SSU666 1.9 ~ 30.4 kW ±0.1 kW
实验系统可实现全参数实时控制和监控,对膨胀阀开度、压缩机频率和热源温度进行控制,对水侧温度、水侧质量流量、制冷剂侧温度、经济器两侧温度、压缩机进出口压力和压缩机功耗进行监测、显示和保存,对系统运行采集的数据进行处理。

1.2 实验测试

在探究R515B用于中高温热泵的热力性能实验测试中,通过在热源水箱中插入电加热棒并配对温度传感器来控制蒸发侧进水温度为30 ~ 60 ℃,间隔为5 ℃,得到不同热源温度在出水温度为70 ~ 95 ℃的测量数据。该实验测量均在压缩机频率为80 Hz、经济器膨胀阀开度为80 N的条件下进行。
在压缩机频率对热泵性能和压缩机效率影响的实验测试中,通过操作系统控制压缩机的工作频率为60 ~ 120 Hz,间隔为10 Hz,得到不同压缩机频率在出水温度为70 ~ 95 ℃的测量数据。该实验测量均在热源温度为45 ℃、经济器膨胀阀开度为80 N的条件下进行。
在每次测试中,当出水温度达到98 ℃时停止加热,数据测量记录周期为10 s。对测量状态点数据进行采集和处理,通过计算得到系统的评价指标。图3为热泵循环的压焓图,图中标记了热泵循环中所需的测量状态点。冷媒循环回路中湿饱和蒸汽状态冷媒(状态点1)经过蒸发器蒸发为气态冷媒(状态点2),再进入压缩机变成高压高温工质(状态点4),再进入冷凝器放热变为过冷液态工质(状态点5),低温级主回路冷媒进入经济器继续放热降温(状态点6)完成进一步冷却过程,其中一股支路经膨胀阀降压(状态点7)进入经济器完成吸热蒸发过程,以气态冷媒(状态点8)的形式,通过压缩机补气口进入压缩机与处于中间压缩状态的冷媒(状态点3)混合(状态点3')再进行压缩。
图3 热泵循环压焓图

Fig. 3 Pressure enthalpy diagram of heat pump cycle

1.3 实验方程

制热量和制冷量是衡量变频高温热泵系统性能的重要参数,也是评估热泵系统换热效果、能耗与运行成本的重要性能指标。该系统的制冷量与制热量通过热源回路进出口温差与质量流量求得,其表达式为式(1)、式(2),且通过公式可得到吸气处质量流量和排气处质量流量。
${{Q}_{\text{c}}}={{q}_{\text{sus}}}\left( {{h}_{2}}-{{h}_{6}} \right)={{q}_{1}}{{c}_{p}}\left( {{t}_{\text{l,in}}}-{{t}_{\text{l,out}}} \right)$
${{Q}_{\text{h}}}={{q}_{\text{dis}}}\left( {{h}_{4}}-{{h}_{5}} \right)={{q}_{2}}{{c}_{p}}\left( {{t}_{\text{h,out}}}-{{t}_{\text{h,in}}} \right)$
式中:Qc为系统制冷量,kW;Qh为系统制热量,kW;h2为压缩机入口工质焓,kJ/kg;h6为经济器主流出口工质焓,kJ/kg;h4为压缩机出口工质焓,kJ/kg;h5为冷凝器出口工质焓,kJ/kg;tl,in为低温热源水箱进水温度,℃;tl,out为低温热源被加热后出水温度,℃;cp为水的等压比热容,kJ/(kg∙℃);qsus为吸气处质量流量,kg/s;qdis为总制冷剂质量流量,kg/s;q1为低温热源水流量,kg/s;th,out为高温热源被加热后出水温度,℃;th,in为高温热源水箱进水温度,℃;q2为高温热源水流量,kg/s。
经济器的补气质量流量通过经济器主支路换热比求得,其表达式为:
${{q}_{\text{inj}}}=\frac{{{q}_{\text{dis}}}\left( {{h}_{5}}-{{h}_{6}} \right)}{\left( {{h}_{8}}-{{h}_{7}} \right)}$
式中:qinj为经济器的补气质量流量,kg/s;h7为经济器分流出口工质焓,kJ/kg;h8为经济器分流出口工质焓,kJ/kg。
系统COP、压比和容积热作为热泵的主要评价指标,其表达式如下:
${{\eta }_{\text{h}}}=\frac{{{Q}_{\text{h}}}}{W}$
$\varepsilon =\frac{{{p}_{4}}}{{{p}_{2}}}$
${{q}_{v}}=\frac{{{h}_{5}}-{{h}_{4}}}{{{v}_{2}}}$
式中:ηh为系统COP;W为压缩机功率,kW;$\varepsilon $为压缩机压比;p4为排气压力,kPa;p2为压缩机入口压力,kPa;qv为工质容积热,kJ/m3v2为压缩机入口工质比容,m3/kg。
压缩机的等熵效率和容积效率是判断压缩机工作能力的重要指标[13],等熵效率由工质的焓增与压缩机耗功比值得出,表达式为式(7)。容积效率通过实际进气量与理想进气量的比值得出,表达式为式(8)。
${{\eta }_{\text{c}}}=\frac{{{q}_{\text{inj}}}\left( {{h}_{4}}-{{h}_{8}} \right)+{{q}_{\text{sus}}}\left( {{h}_{4}}-{{h}_{2}} \right)}{{{\eta }_{\text{m}}}{{\eta }_{\text{e}}}W}\times 100%$
${{\eta }_{v}}=\frac{{{q}_{\text{inj}}}+{{q}_{\text{sus}}}}{{{q}_{\text{inj}}}+\rho f{{V}_{\text{in}}}}\times 100%$
式中:ηc为涡旋压缩机的等熵效率,%;ηm为压缩机的机械效率,取0.95;ηe为电动机效率,取0.92;ηv为容积效率,%;ρ为制冷剂密度,kg/m3Vin为压缩机吸气量,m3/r;f为压缩机频率,Hz。

1.4 不确定度分析

不确定度是判断实验结果是否合理的重要指标。在实验中某些参数无法直接测量,可以利用可测量参数的不确定度并通过式(9)、式(10)进行计算。表3为制热量、COP和功率由测量参数计算的不确定度。
表3 参数不确定度

Table 3 Parameter uncertainty

参数名称 不确定度/%
制热量 1.1 ~ 1.5
COP 1.1 ~ 1.5
功率 0.4 ~ 0.5
$Y=f\left( {{x}_{1}},{{x}_{2}},{{x}_{3}}\ldots {{x}_{n}} \right)$
${{U}_{Y}}=\sqrt{\sum\nolimits_{i=1}^{n}{{{\left( \frac{\partial Y}{\partial {{x}_{i}}}{{U}_{xi}} \right)}^{2}}}}$

2 结果与讨论

2.1 热源温度和出水温度对系统性能影响分析

热源温度和出水温度是影响热泵系统性能的关键参数,图4分别展示了不同热源温度和出水温度下系统制热量、制冷量、COP和容积热的变化关系。从图中可以看出随着出水温度的升高,系统制热量、制冷量、COP和容积热均下降。原因是一方面冷凝侧出水温度升高会导致压缩机进出口压比上升,容积效率降低,导致制冷剂流量下降;另一方面单位质量流量的放热减少,功耗增加,等熵效率下降明显。在热源温度为50 ℃、出水温度在70 ~ 95 ℃时,制热量分别为30.0、28.7、27.5、26.9、26.6和25.9 kW,制冷量分别为24.2、22.4、20.7、19.3、17.9和16.2 kW,COP分别为4.48、4.00、3.59、3.25、2.98和2.67,容积热分别为4 654、4 447、4 201、3 898、3 551和3 211 kJ/m3;但在热源温度为60 ℃、出水温度在70 ~ 75 ℃时,制热量与容积热存在反常点,分别为35.6、36.9 kW和6 011、6 134 kJ/m3,该段实验数据可归因于在该工况条件下,压比过低,补气温度和压力与压缩机入口温度和入口压力相近,其补气增焓作用影响较小,随着压缩机补气温度和补气压力的上升,补气增焓作用的提升使该段制热量上升。
图4 不同热源温度和出水温度下的制热量(a)、制冷量(b)、COP(c)和容积热(d)

Fig. 4 Heat production (a), cooling capacity (b), COP (c), and volume heat (d) of the different heat source temperatures and outlet water temperatures

图4还可以看出,随着热源温度的升高,系统制热量、制冷量、COP和容积热均上升。原因是一方面压比降低使等熵效率和容积效率升高,功耗下降;另一方面,单位质量流量放热增大和制冷剂流量增高。在热源温度为30 ~ 50 ℃的区间内,热源温度对制热量和COP的提升作用显著,在出水温度为90 ℃时,每隔5 ℃的热源温度梯度,COP上升幅度分别为30.2%、18.7%、18.0%和16.9%,制热量上升幅度分别为23.0%、31.0%、20.4%和26.1%。
在以上数据中,热源温度为30 ℃和35 ℃的工况缺乏出水温度为95 ℃的数据点,这是由于实验在 −7 ℃的环境下进行,且机组规模小,在压比过大的情况下,由于等熵效率和容积效率过低且冷凝温度与临界温度温差较小,单位质量流量放热过低,导致冷凝器换热能力接近于高温热源环境散热能力,出水温度上升至92 ~ 93 ℃时处于稳定状态。若在环境温度高或者机组规模大的情况下,预计能制取95 ℃热水。

2.2 压缩机频率对系统性能影响分析

压缩机频率是机组性能的重要影响因素,为了保证机组有良好的制热量且保证制冷剂泄漏量在允许条件下,对60 ~120 Hz的压缩机频率展开研究。在热源温度恒定为45 ℃的条件下,通过改变压缩机的频率,对每10 Hz一组的梯度进行实验测量。
排气温度是衡量压缩机的排气能量损失和安全性的重要参数,图5(a)表明排气温度随频率的增加而上升,这是由于频率增加,压比上升,使得排气温度升高。在出水温度为95 ℃时,60 ~ 120 Hz条件下的排气温度分别为98.1、99.3、100.7、102.4、103.2、104.1、106 ℃。
图5 不同频率和出水温度下的排气温度(a)、容积效率(b)、等熵效率(c)、制热量(d)、制冷量(e)和COP(f)

Fig. 5 Exhaust temperature (a), volumetric efficiency (b), isentropic efficiency (c), heating capacity (d), cooling capacity (e), and COP (f) at different frequencies and water outlet temperatures

图5(b)显示,压缩机处于80 Hz时,出水温度在80℃以上时,其容积效率最高,随着出水温度上升至95 ℃,在整个加热过程中性能整体偏上。容积损失主要由制冷剂泄漏和排气损失造成,在70 ~ 80 ℃的出水温度情况下,泄漏量降低趋势不明显。而由图5(a)可知,100 ~ 120 Hz下的排气温度明显过高,出水温度为70 ℃时,60 Hz下的排气温度为77.6 ℃,此时容积效率最大,为86.8%;120 Hz下的排气温度为91.2 ℃,对应的容积效率最小,为73.8%。当压缩机处于100 ~ 120 Hz的高频率时,排气损失过高对容积效率的影响较大。在出水温度高于90 ℃时,制冷剂冷凝温度接近于临界温度,在此出水温度下不同频率的冷凝温度差距不大,压比差距减小,排气温度差距减小,即在85 ~ 95 ℃的温度段,排气损失差距不明显;而当压缩机处于60 ~ 70 Hz的低频率时,制冷剂泄漏量过高对容积效率的影响较大,导致80 Hz时的容积效率最大,在95 ℃为68.3%,而在60 Hz时的容积效率为65.9%。
图5(c)显示,同容积效率一样,压缩机的等熵效率主要受制冷剂泄漏和排气损失影响,80 Hz为压缩机等熵效率的最佳频率,即压缩机效率最高的工作频率。在80 Hz频率下,压缩机的等熵效率在70 ℃时为74.1%,在95 ℃时降至43.7%。除了80 ~ 85 ℃区间内的等熵效率低于100 Hz下的对应值外,其余温度点的等熵效率均为最高。
图5(d、e)可以看出制热量和制冷量随频率的增加而上升,这是由于频率增加,制冷剂流量上升明显,使冷凝器换热量和蒸发器换热量都得到提升。在95 ℃时,60 ~ 120 Hz下的制热量分别为14.26、17.20、20.28、21.70、22.93、27.53、30.04 kW,制冷量分别为7.93、8.93、11.22、11.84、12.39、13.32、13.65 kW。
图5(f)中,COP随频率的上升而降低,这是由于频率的增加,压缩机功耗上升明显,制热量虽然上升,但主要源于压缩机转速变快,制冷量流量上升导致,频率对制热量的影响不如对压缩机功耗的影响。虽然在出水温度为70 ~ 90 ℃时,60 Hz时的COP最高,但在出水温度为90 ℃时,80 Hz下的COP(2.55)与60 Hz下的COP(2.56)相近,在出水温度为95 ℃时,80 Hz下的COP(2.24)超过60 Hz下的COP(2.07)。这是由于80 Hz的等熵效率和容积效率在出水温度为90 ~ 95 ℃时均为最高,在高温时能量损失比60 Hz下的能量损失小,使系统COP下降缓慢,且在出水温度为95 ℃时超过60 Hz下的COP。

2.3 等熵效率和容积效率多元多项式拟合

等熵效率和容积效率是衡量压缩机循环性能的重要参数,也是影响热泵循环数值计算准确性的关键参数,通过大量实验数据的采集与对比,发现压比、温度对等熵效率和容积效率的影响最为显著。因此,开展了以压比、进气温度和排气温度作为变量对容积效率和等熵效率进行多元多项式拟合,依次升阶直到拟合精度达到95%以上。由表4可以看出容积效率和等熵效率均在四阶拟合时精度达到所需标准。
表4 容积效率和等熵效率经验公式

Table 4 Empirical formula of volumetric efficiency and isentropic efficiency

拟合公式类型 拟合精度(R2 数据点数
容积效率 等熵效率 容积效率 等熵效率
$y=\sum\limits_{i=1}{{{a}_{i}}{{x}_{i}}+e}$ 0.910 19 0.904 85 3 551 2 859
$y=\sum\limits_{i=1}{{{a}_{i}}{{x}_{i}}+\sum\limits_{i=1}{{{b}_{i}}x_{i}^{2}}+e}$ 0.927 34 0.949 22
$y=\sum\limits_{i=1}{{{a}_{i}}{{x}_{i}}}+\sum\limits_{i=1}{{{b}_{i}}x_{i}^{2}}+\sum\limits_{i=1}{{{c}_{i}}x_{i}^{3}}+e$ 0.940 05 0.949 84
$y=\sum\limits_{i=1}{{{a}_{i}}{{x}_{i}}}+\sum\limits_{i=1}{{{b}_{i}}x_{i}^{2}}+\sum\limits_{i=1}{{{c}_{i}}x_{i}^{3}}+\sum\limits_{i=1}{{{d}_{i}}x_{i}^{4}}+e$ 0.953 07 0.951 43
选用四阶拟合公式作为容积效率和等熵效率的经验公式,如下式所示:
$\begin{align} & {{\eta }_{v}}=5.994-6.79\varepsilon -0.62{{T}_{\text{in}}}+0.35{{T}_{\text{out}}}+ \\ & \ \ \ \ \ \ \ 2.39{{\varepsilon }^{2}}+0.0276T_{\text{in}}^{2}-0.0067T_{\text{out}}^{2}-0.361{{\varepsilon }^{2}}- \\ & \ \ \ \ \ \ \ 5.07\times {{10}^{-4}}T_{\text{in}}^{3}+0.02{{\varepsilon }^{3}}+3.34\times {{10}^{-5}}T_{\text{out}}^{3}+ \\ & \ \ \ \ \ \ \ 0.02{{\varepsilon }^{4}}+3.34\times {{10}^{-6}}T_{\text{in}}^{4}-1.65\times {{10}^{-7}}T_{\text{out}}^{4} \\ \end{align}$
$\begin{align} & {{\eta }_{\text{c}}}=93.97-1.55\varepsilon -0.151{{T}_{\text{in}}}+4.09{{T}_{\text{out}}}+ \\ & \ \ \ \ \ \ \ 0.245{{\varepsilon }^{2}}+4.39\times {{10}^{-3}}T_{\text{in}}^{2}-0.07T_{\text{out}}^{2}- \\ & \ \ \ \ \ \ \ 0.0287{{\varepsilon }^{3}}-7.32\times {{10}^{-5}}T_{\text{in}}^{3}+5.27\times {{10}^{-4}}T_{\text{out}}^{3}+ \\ & \ \ \ \ \ \ \ 0.0015{{\varepsilon }^{4}}+4.47\times {{10}^{-7}}T_{\text{in}}^{4}-1.47\times {{10}^{-5}}T_{\text{out}}^{4} \\ \end{align}$
式中:Tin为压缩机入口温度,℃;Tout为压缩机排气温度,℃。
式(11)适用范围:3 < $\varepsilon $ < 6.7,25 < Tin < 55,70 <Tout < 105,20 < ToutTin < 65,f = 80 Hz。
式(12)适用范围:3 < $\varepsilon $ < 6,25 < Tin < 55,70 < Tout < 105,20 < Tout Tin < 65,f = 80 Hz。
利用经验公式对压缩机容积效率和等熵效率进行计算得出拟合值,并与实验值进行比较,使用相对误差作为误差分析。对比结果如图6所示,容积效率的实验值和拟合值的平均相对误差为7.69%,最大相对误差为13.72%;等熵效率的实验值和拟合值的平均相对误差为5.04%,最大相对误差为12.53%。
图6 容积效率(a)和等熵效率(b)的相对误差分析

Fig. 6 Relative error analysis of volumetric efficiency (a) and isentropic efficiency (b)

3 结论

搭建了R515B变频涡旋式高温热泵系统实验平台,分别研究了该热泵系统在不同热源温度、出水温度和压缩机频率的热力学性能,得到如下结论:
(1)探究了R515B应用于涡旋式热泵系统在热源温度为30 ~ 60 ℃与出水温度为70 ~ 95 ℃的性能,热源温度在30 ~ 50 ℃的温度区间内对该系统的制热量和COP影响最明显;在出水温度为90 ℃时,每隔5 ℃的热源温度梯度,COP上升幅度分别为30.2%、18.7%、18.0%和16.9%,制热量上升幅度分别为23.0%、31.0%、20.4%和26.1%。当R515B冷凝温度达到98 ~ 100 ℃时,热泵整体性能明显下降,出水温度达到95 ℃时,热源温度在50、55、60 ℃时的热效率相近,分别为2.67、2.79、2.87。证实了R515B具备在中高温涡旋式热泵作为制冷剂工质的应用能力。
(2)COP随频率升高而降低,但80 Hz和60 Hz下的COP在出水温度为90 ~ 95 ℃的温度区间相差较小,在95 ℃时COP的最佳频率为80 Hz。制热量和制冷量随着频率升高而上升,容积效率和等熵效率的最佳频率均为80 Hz,仅分别在70 ~ 75 ℃与80 ~ 85 ℃的出水温度下除外。综上所述,该热泵系统在流程运行中整体性能良好的最佳频率为80 Hz。该结论可为变频高温热泵研究采用的压缩机频率提供良好的参考。
(3) 对该涡旋式高温热泵循环的等熵效率和容积效率进行了多元多项式拟合,发现压比、温度对效率的影响最为显著,以压缩机压比、吸气温度和排气温度为关键参数进行了四阶多项式拟合,等熵效率和容积效率的拟合精度分别为0.951 43和0.953 07,均在0.95以上。将拟合结果与实验值进行对比,容积效率和等熵效率的最大相对误差分别为13.72%和12.53%,平均相对误差为7.69%和5.04%。对变频高温热泵系统等熵效率和容积效率的拟合有助于优化热泵设计,提高其能效和性能。
(4)由于实验设备的限制,当前的研究存在一定的局限,运行时无法保证经济器处于理想的中间压力状态,同时存在管道压损和压缩机工质泄漏问题。此外,本研究未涉及与其他制冷剂性能的比较分析。但R515B制冷剂作为一种新型的低全球变暖潜能制冷剂,目前相关的数据非常有限,研究结果对于未来关于R515B性能的研究非常具有参考价值。对R515B的性能研究将会帮助热泵相关领域的冷媒转型走向更为环保的路线。
[1]
国家统计局. 中华人民共和国2023年国民经济和社会发展统计公报[N]. 人民日报, 2024-03-01(010). DOI: 10.28655/n.cnki.nrmrb.2024.002126.

[2]
董益秀, 王如竹. 高温热泵的循环、工质研究及应用展望[J]. 化工学报, 2023, 74(1): 133-144. DOI: 10.11949/0438-1157.20220995.

[3]
胡斌, 姜佳彤, 吴迪, 等. 工业高温热泵发展现状与展望[J]. 制冷学报, 2023, 44(6): 1-12. DOI: 10.3969/j.issn. 0253-4339.2023.06.001.

[4]
霍尼韦尔荣获“热泵行业优秀零部件品牌”[J]. 今日制造与升级, 2023(8): 5. DOI: CNKI:SUN:MFUT.0.2023-08-042.

[5]
ARPAGAUS C, BLESS F, UHLMANN M, et al. High temperature heat pumps: market overview, state of the art, research status, refrigerants, and application potentials[J]. Energy, 2018, 152: 985-1010. DOI: 10.1016/j.energy. 2018.03.166.

[6]
SHARIF M Z, AZMI W H, GHAZALI M F, et al. Performance improvement strategies of R1234yf in vapor compression refrigeration system as a R134a replacement: a review[J]. Journal of the Taiwan institute of chemical engineers, 2023, 148: 105032. DOI: 10.1016/j.jtice.2023. 105032.

[7]
MATEU-ROYO C, MOTA-BABILONI A, NAVARRO-ESBRÍ J, et al. Comparative analysis of HFO-1234ze(E) and R-515B as low GWP alternatives to HFC-134a in moderately high temperature heat pumps[J]. International journal of refrigeration, 2021, 124: 197-206. DOI: 10.1016/j.ijrefrig.2020.12.023.

[8]
沈中将. R515B在中高温热泵系统中的性能研究[J]. 制冷与空调(四川), 2023, 37(5): 656-663, 674. DOI: 10.3969/j.issn.1671-6612.2023.05.006.

[9]
WEN Q Y, ZHI R P, WU Y T, et al. Experimental studies of semi hermetic single screw compressor with variable speed in heat pump[J]. Case studies in thermal engineering, 2024, 58: 104399. DOI: 10.1016/j.csite.2024.104399.

[10]
张治平, 马凯, 李丹童, 等. R410A小型制冷螺杆压缩机与涡旋压缩机的理论性能比较[J]. 流体机械, 2023, 51(12): 71-80. DOI: 10.3969/j.issn.1005-0329.2023.12.011.

[11]
HE Y N, CAO F, JIN L, et al. Experimental study on the performance of a vapor injection high temperature heat pump[J]. International journal of refrigeration, 2015, 60: 1-8. DOI: 10.1016/j.ijrefrig.2015.08.012.

[12]
DECHESNE B, LEMORT V, NADRI M, et al. Impact of suction and injection gas superheat degrees on the performance of a residential heat pump with vapor injection and variable speed scroll compressor[C]// Proceedings of the 17th International Refrigeration and Air Conditioning Conference at Purdue. West Lafayette: Perdue University, 2018.

[13]
夏阳, 姜子琪, 张斌, 等. 电动汽车涡旋压缩机补气特性的数值研究[J]. 制冷学报, 2024, 45(4): 131-138, 149. DOI: 10.3969/j.issn.0253-4339.2024.04.131.

Outlines

/